招标公告
福建省福州结核病防治院洗手液采购项目二次信息征集公告
发布时间:2026-04-13
发布者:管理员
阅读 : 144
一、项目概况
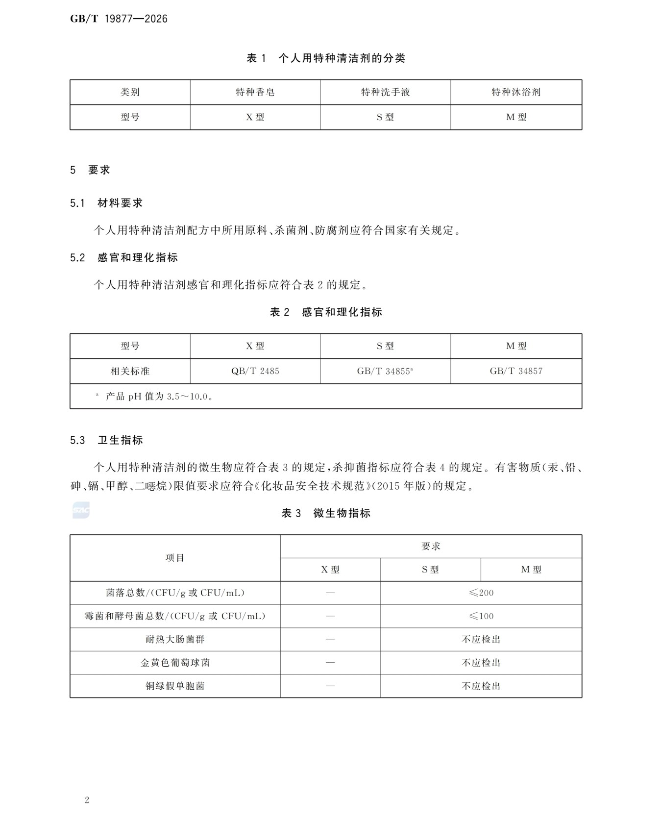
根据国家市场监督管理总局、国家标准化管理委员会2026年2月27日发布的抗抑菌洗手液新标准GB/T 19877-2026《个人用特种清洁剂》规定,为符合院感管理要求,福建省福州结核病防治院拟采购符合新标准的洗手液,具体检测要求详见附件:洗手液相关检测标准。
二、材料清单(格式自拟)
1、提供产品介绍、检测报告、彩页、售后服务方案、业绩证明材料(若有)及报价(包括但不限于产品所需各种运费、人工费、搬运费、税费等)。各潜在供应商提供的产品须满足医院实际使用要求;
2、服务承诺书,产品标准应符合最新版国家标准和行业标准及相关规定;
3、参与信息征集公司的营业执照、履行合同的专业技术证明资料、授权书、法人及被授权人身份证复印件;
三、递交材料地点及时间
2026年4月20日下午17:00前将材料送达福州结核病防治院门诊楼五楼后勤保障部,逾期不候。材料须加盖公章并密封,封口必须盖骑缝章)联系人:郑先生 电话:0591-62627210。
福建省福州结核病防治院
2026年4月13日
附件:洗手液相关检测标准








